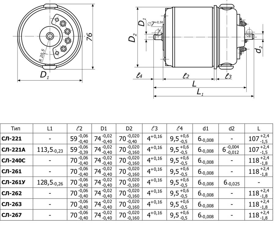
СЛ-267
Предназначен для работ в условиях влажного тропического климата, имеет такие же технические характеристики как и нетропический коллекторный электродвигатель постоянного тока, но диапазон рабочих температур тропического коллекторного электродвигателя постоянного тока от 3°С до 45°С, верхнее значение относительной влажности воздуха 95% при температуре до 35°С.
Примечание - с балластным сопротивлением;
Тип возбуждения СЛ-267 - параллельное;
Диапазон рабочих температур - от -40ºС до +40ºС;
Верхнее значение относительной влажности воздуха при 20ºС - 95%;
Масса прибора - 1,25кг;
Габаритные размеры:
- длина - 118мм;
- диаметр - 74мм;
Гарантийная наработка - 2000ч.
Технические характеристики электродвигателя СЛ-267
| Наименова- ние типа |
Основные технические характеристики | |||||||
| Примечание | Тип возбуж- дения двигателя |
Напря- жение, В |
Потреб- ляемый ток, А |
Полезная мощность, Вт |
Частота враще- ния, мин-1 |
Номинал. враща- ющий момент на валу, Н*м (гс*см) |
Масса, кг |
|
| СЛ-220 | стабилизи- рованной скорости | парал- лельное |
110 | 0,28 | 3,6 | 3500±22 | 0,0098 (100) | 1,25 |
| СЛ-221 | парал- лельное |
110 | 0,35 | 13 | 3600-4600 | 0,0343 (350) | 0,9 | |
| СЛ-221А | парал- лельное |
|||||||
| СЛ-240 | стабилизи- рованной скорости | парал- лельное |
22 | 2,5 | 18,5 | 4500±22 | 0,0392 (340) | 1,4 |
| СЛ-240С | парал- лельное |
24 | 1,9 | 17,5 | 3400-4000 | 0,0499 (510) | 1,25 | |
| СЛ-261 | парал- лельное |
110 | 0,53 | 24 | 3600-4800 | 0,0637 (650) | 1,25 | |
| СЛ-261У | парал- лельное |
|||||||
| СЛ-261ТВ | парал- лельное |
110 | 0,55 | 24 | 3600-5200 | 0,0637 (650) | 1,25 | |
| СЛ-267 | парал- лельное |
110 | 0,9 | 27 | 3800-4700 | 0,0637 (650) | 1,25 | |
| СЛ-267В | парал- лельное |
|||||||
| СЛ-281 | парал- лельное |
24 | 2,55 | 26 | 5200-6600 | 0,049 (500) | 1,25 | |
| СЛ-263 | незави- симое |
55/100 | 0,47 | 24 | 3600-4700 | 0,0637 (650) | 1,26 | |
Габаритные размеры электродвигателя СЛ-267


| Наименование | Значение |
|---|---|
| Вид тока | Постоянный |
| Напряжение, В | 110 |
| Мощность, Вт | 27 |
| Частота вращения, об./мин. | 0 |
| Частота переменного тока, Гц | 0 |
