ДСО-32-0,1-0,375-У3 24в
Режим работы электродвигателя ДСО 32
Режим работы двигателей - продолжительный S1 по ГОСТ 183-74 или повторно-кратковременный с частыми пусками с продолжительностью включения (ПВ) 60% и частотой включения в час до 3600 для двигателей типа ДСО 32 и до 240 для двигателей типа ДСОР 32.
Виды климатических исполнений двигателей УХЛ 4 и 04 по ГОСТ 15150-69 с верхним предельным рабочим значением температуры окружающего воздуха 60°С
Технические характеристики электродвигателя ДСО 32
| Тип двигателя |
Напряжение питания, В |
Номинальная частота напряжения питания, Гц |
Номин. частота вращения, мин.-1 |
Направле- ние враще- ния |
Номин. вращающий момент, Н·см(гс·см), не менее |
Макс. вращающий момент, Н·см(гс·см), не менее |
Потребл. мощность, В·A, не более |
Масса, кг, не более |
| 12, 24, 36, (127), 220 | 60 | 450 | Левое или правое (указывается при заказе) | 0,08 (80) | 0,10 (10) | 2,7 | 0,068 | |
| ДСО 32-0,1-0,375 | 50 | 375 | 0,10 (10) | 0,13 (13) | 0,068 | |||
| ДСОР 3,4-60 | 50,60 | 60 | 0,40 (40) | 0,48 (48) | 0,160 | |||
| ДСОР 32-0,32-72 | 60 | 72 | 0,32 (32) | 0,38 (38) | 0,160 | |||
| ДСОР 32-10-2,4 | 60 | 2,4 | 10 (1000) | 12 (1200) | 0,165 | |||
| ДСОР 32-10-2 | 50,60 | 2 | 10 (1000) | 15 (1500) | 0,165 | |||
| ДСОР 32-25-0,2 | 50,60 | 0,2 | 25 (2500) | 25 (2500) | 0,170 | |||
| ДСОР 32-0,1 | 50,60 | 0,1 | 25 (2500) | 25 (2500) | 0,180 | |||
| 50,60 | 1/300 | 30 (3000) | 30 (3000) | 0,180 |
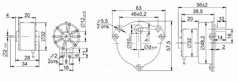
Габаритные размеры электродвигателя ДСО 32


| Наименование | Значение |
|---|---|
| Вид тока | Переменный |
| Напряжение, В | 24 |
| Мощность, Вт | 0 |
| Частота вращения, об./мин. | 375 |
| Частота переменного тока, Гц | 50 |
