ДАТ-75-16-1,5 У3 фл.
Цену и наличие уточняйте, пожалуйста, у наших менеджеров по email: dak-s0803@mail.ru или по телефону 8 (843) 554-58-09
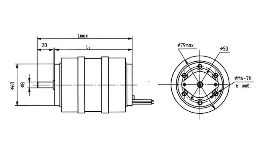
Наименование параметра ДАТ75-16-1,5 ДАТ75-25-1,5 ДАТ75-40-3,0 Номинальное напряжение, В 220/380 220/380 220/380 Частота напряжения питания, Гц 50 50 50 Номинальная мощность, Вт 16 25 40 Номинальный потребляемый ток, А 0,18/0,11 0,26/0,15 0,29/0,17 Номинальная частота вращения, об/мин 1300 1300 2750 К.П.Д., % 48 55 64 Средний уровень звука, дБА 48 48 52 Масса, не более, кг исполнение IM3601 1,14 1,68 1,68 исполнение IM1001 1,49 1,78 1,78 L1, мм 105 116 116 Lmax, мм 131 142 142
![]()


| Наименование | Значение |
|---|---|
| Напряжение питания, В | 220/380 |
| Номинальная мощность, Вт | 16 |
| Потребляемый ток, А | 0,18/0,11 |
| Частота напряжения питания, Гц | 50 |
| Частота вращения , об/мин | 1300 |

