2ПН100L фл.
Электродвигатели постоянного тока серии 2П (2П-90, 2П-100)
Электродвигатели предназначены для работы в широко регулируемых автоматизированных электроприводах постоянного тока.
Генераторы постоянного тока предназначены для питания различных приемников.
Высота оси вращения машин 90 и 100 мм.
Степень защиты: машин 2ПН- IP 23, машин 2ПБ- IP 44.
Конструктивное исполнение двигателей по способу монтажа - IM1001, IM1011, IM1031, IM1002, IM3601, IM3611, IM3631. Генераторы - IM 1001.
Номинальный режим работы машины - S1.
Направление врвщения вала – реверсивное.
Может комплектоваться тахогенератором ТП-75-20-0,2, ТП-80, ТМГ-30П.
Структура условного обозначения

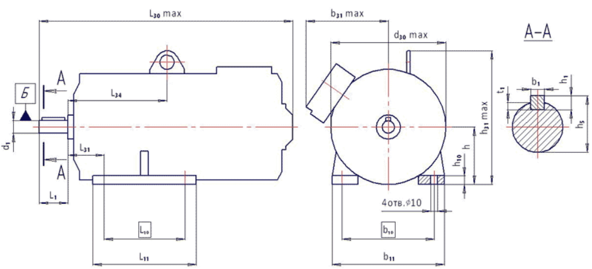
Габаритные и присоединительные размеры электродвигателей серии 2П

|
Тип |
Размеры, мм |
Момент инерции, кг∙м² |
Масса, кг не более . |
||||||||||||||||||
|
b₁ |
b₁₀ |
b₁₁ |
b₃₁ |
d₁ |
d₁₀ |
d₃₀ |
L₁ |
L₁₀ |
L₁₁ |
L₃₀ |
L₃₁ |
L₃₄ |
h |
h₁ |
h₅ |
h₁₀ |
h₃₁ |
t₁ |
|||
|
2ПН90М |
5 |
140 |
175 |
150 |
16 |
10 |
200 |
40 |
125 |
155 |
375 |
56 |
145 |
90 |
5 |
18 |
10 |
217 |
3 |
0,016 |
24 |
|
2ПБ90М |
|||||||||||||||||||||
|
2ПН90L |
400 |
157 |
0,02 |
27 |
|||||||||||||||||
|
2ПБ90L |
|||||||||||||||||||||
|
2ПН100М |
6 |
160 |
195 |
160 |
22 |
12 |
224 |
50 |
140 |
180 |
420 |
63 |
162 |
100 |
6 |
24,5 |
13 |
237 |
3,5 |
0,044 |
36 |
|
2ПБ100М |
|||||||||||||||||||||
|
2ПН100L |
440 |
172 |
0,048 |
39 |
|||||||||||||||||
|
2ПБ100L |
|||||||||||||||||||||
|
Тип |
Размеры, мм |
Момент инерции, кг∙м² |
Масса, кг не более . |
||||||||||||||||
|
b₁ |
b₃₁ |
d₁ |
d₂₀ |
d₂₂ |
d₂₄ |
d₂₅ |
d₃₀ |
L₁ |
L₂₀ |
L₃₀ |
L₃₄ |
L₃₈ |
h₁ |
h₆ |
h₃₁ |
t₁ |
|||
|
2ПН90М |
5 |
150 |
16 |
130 |
М8 |
160 |
110 |
200 |
40 |
3,5 |
375 |
145 |
335 |
5 |
18 |
215 |
3 |
0,016 |
27 |
|
2ПБ90М |
|||||||||||||||||||
|
2ПН90L |
400 |
157 |
360 |
0,02 |
30 |
||||||||||||||
|
2ПБ90L |
|||||||||||||||||||
|
2ПН100М |
6 |
160 |
22 |
130 |
М8 |
160 |
110 |
224 |
50 |
3,5 |
420 |
162 |
370 |
6 |
24,5 |
235 |
3,5 |
0,044 |
40 |
|
2ПБ100М |
|||||||||||||||||||
|
2ПН100L |
440 |
172 |
390 |
0,048 |
43 |
||||||||||||||
|
2ПБ100L |
|||||||||||||||||||
| Наименование | Значение |
|---|---|
| Вид тока | Постоянный |
| Напряжение, В | 220 |
| Мощность, Вт | 1100 |
| Частота вращения, об./мин. | 0 |
| Частота переменного тока, Гц | 0 |
